• 1. Устройства электропитания подвижного состава, средств автоматики и освещения
  • 2. Автоматическое управление стрелочными переводами и сигналами
  • 3. Электрические схемы управления движением поездов
  • ГЛАВА V

    ЭЛЕКТРООБОРУДОВАНИЕ МАКЕТОВ

    1. Устройства электропитания подвижного состава, средств автоматики и освещения

    Значение напряжения и род тока для приведения в действие моделей подвижного состава, управления движением поездов, работы устройств автоматики и освещения макета определены нормами NEM 611, 621, 630 и 631, которые необходимо строго соблюдать. Перед тем как начать рассмотрение отдельных электрических схем и их монтаж на макете, необходимо изучить основные правила электробезопасности при обращении с электроустановками. Каждый моделист должен помнить, что при несоблюдении этих правил он подвергает себя и окружающих опасности травмирования электрическим током, и, кроме того, не исключена возможность возникновения пожара. Первоисточником электроэнергии является электрическая сеть переменного тока напряжением 127 или 220 В. Для понижения напряжения применяют трансформаторы, которые имеют электрически несоединенные первичные и вторичные обмотки. Для понижения напряжения запрещается применять автотрансформаторы, так как один из выводов их вторичной обмотки находится под потенциалом питающей сети, т. е. между выходящим проводом и землей (водопроводом, цементным полом, трубами центрального отопления и др.) имеется напряжение питающей сети.

    Для освещения макета и отдельных построек нельзя применять последовательное соединение электрических ламп с питанием от сети (по типу елочных гирлянд) — это так же опасно, как и применение автотрансформаторов. Все розетки, вилки, провода, шнуры и электроприборы должны быть исправны и иметь надёжную электроизоляцию. Все соединения должны быть надёжно изолированы и закрыты так, чтобы исключалась возможность случайного прикосновения к токоведущим деталям. Следует правильно подбирать сечение проводов, так как в случае применения провода малого сечения (например, телефонного), при повышенной нагрузке (питании нескольких локомотивов, большого количества осветительных ламп или возникновения короткого замыкания) произойдет сильное нагревание проводов, что может привести к возникновению пожара.

    Предохранители, применяемые в электросхеме, должны быть исправны. Сгоревший предохранитель следует заменить новым, рассчитанным на такой же номинальный ток. Ремонтировать его запрещается. Приведённые меры безопасности являются обязательными и каждый моделист должен строго их соблюдать.

    Во время монтажа электрооборудования макета требуется проверка цепей питания контрольно-измерительными приборами. Такие проверки необходимы и в процессе эксплуатации макета, когда требуется обнаружить и устранить какую-либо неисправность. Для проверки цепей необходимо иметь вольтметры и амперметры с пределами измерения соответственно до 30 В и до 10 А, предназначенные для замеров переменного и постоянного тока. Наиболее удобны универсальные приборы — тестеры (авометры), при помощи которых можно измерять напряжение, ток и сопротивление. Моделистам можно рекомендовать тестеры типа ТТ-1 или Ц-435.

    Для приведения в действие моделей локомотивов и управления их движением служат понижающий трансформатор, выпрямитель, регулятор напряжения и переключатель полярности тока. Последовательность включения элементов в цепь после трансформатора можно менять или объединять их в зависимости от конструкции применяемых узлов. Заводы, изготавливающие модели железных дорог, выпускают специальные блоки управления, в которых, кроме приведённых узлов, имеется ещё защита выходных цепей от короткого замыкания. На рис. 82 показаны блоки управления производства фирмы «Piko» и завода «Ужгород-прибор». Технические характеристики на выводах вторичных обмоток блоков управления следующие:

    Тип блока управления МЕ005 «Экспресс» («Ужгород-прибор») ПУ («Счётмаш») STr 16/4 *
    Напряжение постоянного тока, В 2-12 0-9 0-12 -
    Регулировка напряжения Плавная -
    Максимальный постоянный ток, А 1,2 0,4 0,5 -
    Напряжение переменного тока, В 16 - 16 16
    Максимальный переменный ток, А 1,2 - 0,5 4,0

    * Защита цепей от короткого замыкания отсутствует.

    Рис. 82. Блоки управления типов МЕ005, БП-1 и «Экспресс»

    Блоки управления МЕ005 и ПУ завода «Счётмаш» являются универсальными; они предназначены для управления электродвигателями моделей локомотивов, обеспечения работы электроприводов и средств автоматики. Блок типа «Экспресс» обеспечивает только электропитание моделей подвижного состава, а блок типа STr 16/4 — только работу электроприводов и средств автоматики. Для электропитания моделей железных дорог можно использовать и другие, аналогичные по своим характеристикам блоки управления. При выборе блока управления основное внимание следует обращать на значение потребляемого тока, так как превышение его приводит к перегрузкам, выключениям электропитания, а в конечном счёте — к выходу из строя блока управления.

    В качестве примера познакомимся с работой наиболее распространенного блока управления типа МЕ005 (рис. 83), который предназначен для включения в сеть напряжением 127 или 220 В с частотой 50 Гц. Значение напряжения сети указано на нижней панели блока. На верхней панели блока имеется ручка регулятора напряжения. Светофильтры красного цвета предназначены для сигнализации о коротком замыкании в выходных цепях. На передней — торцовой панели имеются две пары зажимов, обозначенные «Bahn» (железная дорога) и «Zubehor» (принадлежности). Дно и крышка блока соединены винтами со специальными шлицами, чтобы сделать токоведущие части недоступными.

    Рис. 83. Принципиальная электрическая схема блока управления типа МЕ005:

    X — ввод от сети 220 В (127 В); TV1 — первичная обмотка трансформатора; TV2 — вторичная обмотка трансформатора для цепи «принадлежности»; XT1 — зажимы цепи «принадлежности» (переменный ток напряжением 16 В); FR1 — токовая защита цепи «принадлежности»; Е1 — сигнальная лампа перегрузки (короткого замыкания) цепи «принадлежности»; TV3 — вторичная обмотка трансформатора для цепи «железная дорога»; XA — скользящий контакт для плавной регулировки напряжения цепи «железная дорога»; SA — переключатель полярности цепи «железная дорога» (при среднем положении ручки управления выключает цепь); FR2 — токовая защита цепи «железная дорога»; Е2 — сигнальная лампа перегрузки (короткого замыкания) цепи «железная дорога»; XT2 — зажимы цепи «железная дорога» ( постоянный ток напряжением 0 — 12 В); UZ — двухполупериодный выпрямитель цепи «железная дорога»

    В понижающем трансформаторе блока управления имеются одна первичная и три вторичные обмотки, не зависимые друг от друга. От вторичной обмотки TV2 переменный ток напряжением 16 В подаётся на зажимы XT1 (принадлежности). Защиту от коротких замыканий цепи осуществляет биметаллическая пластина FR1, параллельно которой включена лампа Е1.

    Когда ток не превышает допустимого значения, лампа Е1 не горит, так как сопротивление спирали лампы значительно больше сопротивления биметаллической пластины и ток проходит через последнюю. При коротком замыкании или при перегрузке цепи через биметаллическую пластину протекает ток больше расчётного, что вызывает её нагрев и изгиб. Пластина установлена так, что при изгибе разрывает цепь и лампа Е1 оказывается единственным потребителем тока в цепи. Горение лампы сигнализирует о коротком замыкании цепи. Причина короткого замыкания должна быть немедленно выявлена и устранена. После устранения неисправности биметаллическая пластина охлаждается и её контакты замыкают цепь.

    Вторичные обмотки TV3 трансформатора вместе со скользящими контактами XA служат для получения напряжения от 0 до 12 В. Изменение напряжения скользящим контактом регулятора происходит почти плавно. Управляют скользящим контактом ручкой регулятора, которая связана с переключателем (коммутатором) SA, изменяющим полярность напряжения в соответствии с поворотом ручки. Селеновый двухполупериодный выпрямитель UZ, биметаллическая пластина FR2, сигнальная лампа Е2 и выводы XT2 (железная дорога) образуют цепь постоянного тока блока управления.

    В макетах, где имеется большое количество электроприборов — систем автоматики, стрелочных переводов и ламп освещения, рекомендуется для их питания иметь несколько трансформаторов (блоков), чтобы цепи были самостоятельными, не связанными друг с другом. Данная рекомендация вызвана особенностями конструкции и работы некоторых электроприборов, которые рассчитаны на кратковременное потребление большого тока. Так, при одновременном включении нескольких стрелочных переводов или реле сигнализации возникает значительное понижение напряжения, в результате чего электроприводы могут не сработать и на макете произойдет авария. Кроме того, в такие моменты мигают осветительные лампы.

    Чтобы избежать перегрузок, необходимо иметь несколько трансформаторов или один трансформатор с несколькими вторичными обмотками. Если нет готового трансформатора соответствующей мощности, то его можно рассчитать и изготовить в домашних условиях.

    Расчёт трансформатора начинают с определения его мощности, которая равна произведению напряжения на ток первичной обмотки или сумме мощностей всех вторичных обмоток (без учёта потерь), т. е. мощности Р, первичной и вторичной обмоток должны быть одинаковы. Потери в данном случае незначительны и при расчёте ими можно пренебречь. Математически эта взаимосвязь выражается формулой

    Ps = UпIп = ( Uв1Iв1 ) + ( Uв1Iв1 ) + ... + ( UвnIвn ),

    где Uп , Uв — напряжение соответственно первичной и вторичной обмоток, В; Iп,Iв, — ток соответственно первичной и вторичной обмоток, А.

    При расчёте потребляемой мощности условно принимают, что микроэлектродвигатели моделей локомотивов потребляют постоянный ток 0,15 — 0,2 А напряжением 12 В. Соленоидные электроприводы стрелочных переводов, сигналов и средств автоматики при включении потребляют переменный ток до 2 А напряжением 16 В. Рекомендуется предусматривать в схемах одновременное включение не более 2 — 3 приводов. Ток, потребляемый лампами освещения, принимается в соответствии с их характеристиками.

    Определив мощность трансформатора, рассчитывают площадь сечения магнитопровода

    Геометрическое сечение магнитопровода должно быть несколько больше, так как магнитопровод состоит из множества тонких пластин, изолированных друг от друга. Чтобы получить геометрическое сечение магнитопровода, необходимо в приведённую формулу ввести коэффициент. Для небольших трансформаторов коэффициент, учитывающий толщину изоляции отдельных пластин, равен ~ 0,86. Следовательно,

    F' = 0,86F = 0,86ab

    где F — геометрическое сечение магнитопровода, см2, а — при Ш-образной пластине — ширина средней стойки пластины и при П-образной пластине — ширина одной из стоек, см; b — толщина пакета набранных пластин, см.

    Сердечник магнитопровода набирают из отдельных пластин трансформаторной стали. Пластины используют от старых трансформаторов радиоприёмников, телевизоров и др. В зависимости от формы магнитопровода сердечника трансформаторы бывают стержневого и броневого типов (рис. 84). Сборку магнитопровода осуществляют после намотки катушек.

    Рис. 84. Конструкции магнитопроводов:

    а — стержневой: б — броневой

    Следующей величиной, необходимой для расчёта трансформатора, является количество витков на 1 В напряжения:

    u = 45 / F' .

    Для первичной обмотки количество витков

    uI = uUп = 45Uп / F' .

    При определении количества витков для вторичных обмоток их число увеличивают на 5 — 10%, чтобы компенсировать потери:

    uII = (1,05 ? 1,1) uUв = (1,05 ? 1,1) 45Uв / F' .

    Далее определяют сечение провода для каждой обмотки. При этом считают, что медный провод сечением 1 мм2 может проводить ток не более 2,5 А. Тогда

    S = I / 2,5 ,

    где S — сечение провода, мм2, I — требуемый ток, А.

    При отсутствии провода расчётного сечения используют провод ближайшего большего сечения. После этого делают проверочный расчёт для определения: можно ли поместить все витки на катушку трансформатора. Расчёт производят применительно к имеющимся в наличии трансформаторным пластинам. При расчёте учитывают сечение проводов, толщину изоляции, количество витков. Площадь окна пластины сердечника, куда помещается катушка трансформатора, составляет

    F''min = 3( d12u1 + d22u2 + ... + dn2un),

    где d — диаметр проводов обмотки; u — количество витков обмоток.

    Для упрощения расчётов можно воспользоваться основными параметрами трансформаторов небольшой мощности (от 10 до 150 Вт), приведёнными в табл. 1.

    Таблица 1

    Мощность Рs, Вт Размеры сердечника Количество витков на 1 В обмотки
    aXb, мм F', см2 первичной вторичной
    10 12 X 15 2,5 20 23
    20 17 X 20 3,5 14 16
    35 20 X 27 5,5 7 8
    45 23 X 32 7 5,5 6,3
    60 30 X 32 10 4,5 5,2
    100 35 X 35 12,5 3,5 4,2
    150 35 X 50 17,5 3 3,4

    Диаметр обмоточного провода принимают в зависимости от силы тока:

    Сила тока, А 0,1 0,2 0,25 0,35 0,4 0,5 1,0 1,75 2,5 3,0 4,0 6,0
    Диаметр провода, мм 0,2 0,28 0,3 0,35 0,4 0,5 0,6 0,8 1,0 1,2 1,5 2,0

    Первичные и вторичные обмотки наматывают на каркас, который лучше использовать от того же трансформатора, что и пластины. Однако при необходимости можно изготовить новый каркас из гетинакса, текстолита или плотного картона. Конфигурация стенок каркаса изображена на рис. 85, а, б. Размеры каркаса определяют в зависимости от сечения сердечника и окон в пластинах. Собранный каркас должен плотно заходить на стойки пластин и быть достаточно прочным, чтобы выдержать усилие при намотке провода.

    Сначала наматывают первичную обмотку. Витки укладывают ровными плотными рядами. Намотку катушек можно делать вручную или при помощи ручной дрели (рис. 85, в). Для этого по размеру окна каркаса вырезают деревянный брусок и по его продольной оси вбивают гвоздь, свободный конец которого зажимают в патрон дрели. Дрель закрепляют в тисках. Правой рукой вращают рукоятку дрели, а левой направляют на каркас провод, укладывая его виток к витку с некоторым натяжением. Каждый уложенный слой витков изолируют от последующего конденсаторной бумагой. Ширину конденсаторной бумаги берут на 3 — 5 мм больше ширины каркаса. Края конденсаторной бумаги надрезают (рис. 85, г), чтобы хорошо изолировать крайние витки. Между отдельными обмотками изоляцию усиливают наложением нескольких слоев или применением более толстой конденсаторной бумаги. При намотке вторичной обмотки, предназначенной для питания моделей локомотивов, не разрывая провод, делают выводы через определённое расчётом количество витков, соответствующее напряжению 2 В. Все выводы проводов обмоток изолируют трубками из поливинилхлоридного пластиката и пропускают через отверстия в боковых стенках каркаса.

    При сборке пакета нужно следить за сохранением изоляции, нанесенной на поверхности пластин. Для уменьшения шума при работе трансформатора собранный сердечник стягивают шпильками.

    Перед включением в сеть собранного трансформатора необходимо проверить на пробой мегаомметром с напряжением 2500 В все его обмотки между собой и магнитопроводом. Для этого один из проводов, идущих от мегаомметра, закрепляют на пластинах сердечника, а другой — на выводе одной из обмоток. При вращении рукоятки мегаомметра на сердечник и обмотку подаётся напряжение. По показаниям мегаомметра определяют сопротивление изоляции, которое не должно быть менее 2 МОм. Закрепляя провода мегаомметра на выводах соседних обмоток, проверяют сопротивление изоляции между ними. Проверку сопротивления изоляции обмоток и сердечника может выполнить любая мастерская по ремонту радиоаппаратуры и бытовых электроприборов.

    Рис. 85. Изготовление трансформаторных катушек;

    а — детали каркаса; б — каркас в сборе; в — намотка катушки; г — выкройка межслойной изоляции

    После проверки в цепь питания устанавливают предохранители, рассчитанные на ток 0,5 — 1 А. Трансформатор включают в сеть сначала без нагрузки и оставляют подключенным на 15 — 20 мин. При сильном нагреве катушки необходимо разобрать весь трансформатор, снять обмотки и снова перемотать, так как нагрев катушки свидетельствует о межвитковом замыкании в первичной обмотке. При перемотке трансформатора следует использовать новый провод. Межвитковые замыкания могут быть и на вторичных обмотках, что обнаруживается при продолжительном включении вторичной обмотки на расчётную, потребляемую нагрузку.

    На рис. 86 изображена принципиальная электрическая схема самодельного блока управления со ступенчатым регулированием выходного напряжения.

    Рис. 86. Принципиальная электрическая схема самодельного блока управления:

    X — штепсельный разъём; TV — трансформатор; SA — переключатель; RP — потенциометр; UZ — выпрямитель; E2 — лампа красного цвета; R — резистор короткого замыкания; E1 — лампа зелёного цвета; S — переключатель полярности; S1, S2 — выключатели; M1, M2 — нагрузка (электродвигатели)

    Для изменения напряжения в блоке управления можно использовать шестипозиционный переключатель галетного типа, к которому подключают промежуточные выводы вторичной обмотки, предназначенные для питания моделей локомотивов, соответствующие напряжению 2 В.

    Для преобразования переменного тока в постоянный служат полупроводниковые выпрямители: селеновые, кремниевые или германиевые, собранные по определённой схеме. Селеновые выпрямители представляют собой столбики круглых, квадратных или прямоугольных элементов, подбор которых осуществляют из расчёта, что на каждый элемент приходится напряжение 20 В при токе 40 мА на 1 см2. Недостатками селеновых выпрямителей являются их большой объём и потеря свойств со временем.

    Более совершенными выпрямительными элементами являются кремниевые или германиевые диоды. Для выпрямления переменного тока в блоках управления можно рекомендовать следующие диоды:

    Марка диода Д7А Д7Ж Д202 Д205 Д214 Д214А Д221 Д226 Д231
    Предельный ток, мА 300 300 400 400 5000 10000 400 300 10000
    Повторяющееся напряжение, В 50 400 100 400 100 100 400 400 300

    В блоке управления применена двухполупериодная мостовая схема выпрямителя со встроенным в одно из плеч потенциометром RP. Преимуществом такой схемы является возможность плавного перевода однополупериодного выпрямления тока в двухполупериодное, что обеспечивает плавное трогание, разгон, замедление и остановку, а также медленное движение модели локомотива при максимальной силе тяги. Трогание модели локомотива осуществляют увеличением напряжения ступенчатым регулятором от 0 до 12 В при включенном потенциометре (Rmax), затем потенциометр плавно выключают (R > 0), обеспечивая разгон модели до максимальной скорости. Остановку локомотива осуществляют в обратной последовательности. График выходного напряжения при максимальном сопротивлении потенциометра, изменения его величины от максимального до минимального значения, а также при R=0 изображён на рис. 87. В блоке управления можно использовать потенциометр сопротивлением до 50 Ом, мощностью 1 — 2 Вт, применяемый в радиотехнике.

    Рис. 87. Графическое изображение выходного напряжения при различных величинах сопротивления потенциометра RP

    Для предохранения обмоток трансформатора и выпрямителя от перегрузок и коротких замыканий в схеме предусмотрена защита, состоящая из резистора R, который ограничивает ток до допустимого значения. Красная Е2 и зелёная Е1 лампы служат для сигнализации о работе защиты. При нормальной работе, когда в цепи нет ни перегрузок, ни коротких замыканий, ток протекает через резистор R, нагрузку M и параллельно включенную лампу Е1. Горение лампы свидетельствует о нормальной нагрузке, В случае короткого замыкания зелёная лампа Е1 гаснет, так как на обоих зажимах имеется одинаковый потенциал и единственным потребителем в цепи является резистор R. Вследствие большого тока, протекающего через резистор, на его выводах появляется разница потенциалов и загорается красная лампа Е2. Сопротивление резистора R рассчитывают по закону Ома. Например, напряжение на выходе блока управления равно 16 В, а допустимый максимальный ток 10 А, тогда

    Rкз = U / I = 16 / 10 = 1,6 Ом.

    При потреблении тока 2 А падение напряжения на резисторе составит

    URкз = RкзIпотр = 1,6 • 2 = 3,2 В,

    а подаваемое напряжение

    Uм = U - URкз = 16 - 3,2 = 12,8 В,

    что вполне допустимо.

    Далее необходимо определить мощность резистора

    PRкз = URкзImax = 1,6 • 10 = 16 Вт.

    Резистор с такими характеристиками можно сделать из спирали электроплитки, подобрав по приборам отрезок спирали с соответствующим сопротивлением. Так как при коротком замыкании резистор сильно нагревается, его следует устанавливать на фарфоровые изоляторы на некотором расстоянии от других деталей и стенок блока управления. Не рекомендуется применять для защиты вторичных обмоток плавкие вставки, так как короткие замыкания во время наладки и работы макета могут быть довольно часто и это потребует многократной замены плавких вставок.

    Для изменения полярности напряжения цепи постоянного тока можно использовать переключатель (тумблер) типа TП1-2.

    В настоящее время всё большее распространение получают электронные блоки управления с импульсным регулированием, у которых выходное напряжение и частота импульсов остаются постоянными, а меняется отношение ширины импульса и скважины, что обеспечивает высокую плавность регулирования скорости движения моделей.

    На рис. 88 представлена принципиальная электрическая схема электронного блока управления с выходным напряжением 12 В и отношением ширины импульса к скважине 1:4. Изменение ширины импульса получают на выходе мультивибратора, настроенного на частоту 100 Гц. Базы транзисторов VT1 и VT2 подключены через потенциометр R1 , которым осуществляется управление. С увеличением напряжения на базе одного транзистора пропорционально понижается напряжение на базе другого, Следовательно, меняется время открытия транзисторов, а это приводит к изменению ширины импульса и скважины. Транзисторы VТ3, VТ4 и VT5 работают как усилительные. Схема защиты выходного транзистора от токов короткого замыкания, построенная на транзисторах VT6 и VT7, допускает протекание через транзистор VT5 только максимального расчётного тока. При нормальной работе схемы, когда ток потребителя не превышает расчётного значения, транзистор VT6 закрыт, а транзистор VT7 открыт. В этом случае ток протекает через транзистор VT7 и резистор R10 (0,5 Ом), к которому подсоединена база транзистора VT6. При увеличении тока, вызванном превышением расчётной нагрузки или коротким замыканием, падение напряжения на резисторе R10 увеличится, транзистор VT6 откроется, а транзистор VT7 закроется, Сопротивление на переходе эмиттер-коллектор транзистора VT7 значительно возрастет, и ток пройдет через лампу Е и резистор R11, где суммарное сопротивление меньше. Горящая лампа Е будет сигнализировать о перегрузке или коротком замыкании.

    Рис. 88. Принципиальная электрическая схема электронного блока управления, Характеристики и типы комплектующих изделий:

    R1 — 25 ком

    R2 — 680 Ом

    R3, R5 — 1 кОм

    R4 — 12 кОм

    R5 — 12 Ом

    R7 — 150 Ом/2 Вт

    R8 — 100 Ом/2 Вт

    R9 — 1500 Ом

    R10 — 0,5 Ом/1 Вт

    R11 — 330 Ом/1 Вт

    R12 — 470 Ом

    C1, С2 — К50-6 (1 мкФ, 30 В)

    С3 — К50-6 (50 мкФ, 30 В)

    С4 — К50-6 (200 мкФ, 30 В)

    VD1, VD2 — КД208 А

    Е — 6 В/5 мА

    VT1, VT2, VT3, VT6 — КТ361Б

    VT4 — КТ814А

    VN5, VT7 — KT818A

    S — ТП1-2

    2. Автоматическое управление стрелочными переводами и сигналами

    Автоматическое управление стрелочными переводами и сигналами на макетах железной дороги осуществляется при помощи электромагнитных реле соленоидного типа. Зарубежные предприятия, изготавливающие модели железных дорог, выпускают много типов различных приводов, которые, как правило, встроены в основание стрелочного перевода, светофора или семафора.

    B качестве примера рассмотрим принцип работы стрелочного перевода типа P31 производства фирмы «Piko» (ГДР). Привод (рис. 89) состоит из двух катушек KC1 и KC2, внутри которых перемещается стальной сердечник 7, соединенный системой тяг и рычагов 8, 9, 10 с переводной тягой стрелочного перевода 11. На основании привода имеется шесть зажимов, обозначенных цифрами2. На зажим «Земля» подключена одна фаза переменного тока напряжением 16 В. Зажимы, обозначенные на рисунке буквами п и б, служат для управления стрелочным переводом с установкой его соответственно на прямой или боковой путь. Они подключены ко второй фазе источника питания через кнопочные переключатели SBп и SBб. Для сигнализации о положении стрелочного перевода служат зажимы оп, об и о, к которым могут быть подключены сигнальные лампы Еп и Еб на пульте управления. При включении катушки KC1 электромагнитная сила втягивает сердечник, который через механический привод переводит остряки и одновременно перемещает пружины контактов S1 и S2, При этом контакт S1 разрывает цепь катушки KС1 и готовит цепь катушки KС2. Этим самым контакт S1 работает как концевой выключатель и предохраняет катушку от перегорания при длительном включении питания. Контакт S2 служит для включения цепей обратной сигнализации или элементов автоблокировки.

    Рис. 89. Конструкция стрелочного перевода типа P31 (а) и схемы подключения стрелочных переводов (б) типов:

    1 — «Piko» 5740/518П; 2 — «Berliner TT Bahnen» 04/109TT, 3 — «Piko» 05/024H0; 4 — «Pilz» 14/839H0; 5 — «Pilz» 14/840H0

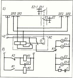
    Для блокировки занятых участков пути на макетах применяют блок-сигналы, состоящие из электромагнитного реле, светофора или семафора. На рис. 90 изображена схема блок-сигнала типа МЕ050 фирмы «Piko» (ГДР) с двухзначной светофорной сигнализацией. Блок-сигнал смонтирован на общем основании с участком пути, имеющем разрывы рельсовых нитей и оборудованном рельсовой педалью (контактом). Электромагнитное реле блок-сигнала состоит из двух катушек соленоидного типа KС1 и KС2, внутри которых перемещается стальной сердечник, соединенный тягой с переключающими контактами S1 и S2. Контакт S1 служит для переключения сигнальных ламп светофора Ек и Ез, включения цепей обратной сигнализации, а также является концевым выключателем соленоидных катушек. Контакт S2 служит для подключения изолированного участка, расположенного перед блок-сигналом. На рисунке показана схема при закрытом положении блок-сигнала. При этом изолированный участок выключен и горит красный сигнал светофора. Для открытия светофора нажатием кнопки SВз на пульте управления на катушку КС1 подаётся напряжение и реле срабатывает. При этом перемещаются пружины контактов S1 и S2, зажигается зелёный сигнал светофора и на изолированный участок подаётся напряжение. Когда по открытому блок-участку проходит локомотив, он колесом замыкает цепь между рельсом и рельсовым контактом , включая этим катушку КС2, которая снова приводит в действие реле и закрывает блок-участок. Последний также может быть закрыт нажатием кнопки SВк на пульте управления, включающей катушку КС2.

    Рис. 90. Принципиальная электрическая схема блок-сигнала МЕ050

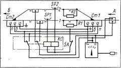
    Для организации движения в одном направлении нескольких поездов весь путь можно разделить на блок-участки и оборудовать их блок-сигналами. Схема автоблокировки участка с использованием блок-сигналов типа МЕ050 показана на рис. 91.

    Рис. 91. Схема автоблокировки участка:

    Св1Св3 — светофоры; SP1к, SP2к, SP3к — рельсовые контакты закрытия блок-участков; SP1з, SP2з, SP3з — рельсовые контакты открытия блок-участков

    Серийные конструкции электроприводов несколько ограничивают возможности разнообразия схем постройки станционных путей, а наружнее расположение привода зачастую портит внешний вид макета. Моделисты часто снимают такие приводы и монтируют их под макетом. Ещё одним существенным недостатком обладают промышленные приводы — они имеют небольшое количество контактов блокировочных цепей, предназначенных для взаимосвязи стрелочных переводов и сигналов, входных и выходных сигналов и др, Чтобы избежать этих недостатков, многие моделисты самостоятельно изготавливают электромагнитные приводы с достаточно мощными катушками и необходимым количеством блокировочных контактов. На рис. 92 показаны общий вид самодельного реле и его принципиальная электрическая схема. Это реле можно использовать как привод стрелочного перевода, семафора или как реле к светофору.

    Рис. 92. Конструкция и схема самодельного электрического привода:

    а — привод семафора; б — привод стрелочного перевода; в — принципиальная электрическая схема

    Детали реле монтируют на основании 1, которое изготавливают из дерева, фанеры или другого изолирующего материала толщиной 5 мм. Основной деталью реле являются две соленоидные катушки, намотанные на общей трубке 15 внутренним диаметром 6 мм с разделительным и торцовыми кольцами 16. Трубку делают из бумажной полоски, наматываемой на стержень диаметром 6 мм. Причём каждый слой бумаги кладут на клей БФ2. Толщина стенок трубки 1 мм. Разделительные и торцовые кольца делают из картона. Катушки наматывают медным обмоточным проводом диаметром 0,2 мм. Намотку производят аккуратно — виток к витку; на каждую катушку наматывают 950 — 1000 витков (примерно 30 м провода). Сердечник 14 изготавливают из отожженного стального прутка диаметром 5 мм. Торцовые стороны засверливают по центру для крепления тяг 3 и 17. Направляющие 13 делают из текстолита, в них просверливают отверстия для тяг 3 и 17. Лепестки для присоединения проводов 2 и 8 изготавливают из белой жести или латуни толщиной 0,2 — 0,3 мм. Контактные лепестки 5, 6, 7, 9, 10 вырезают и изгибают точно по чертежу из латуни толщиной 0,3 мм. Лепестки крепят к основанию небольшими шурупами или винтами 19. Количество лепестков зависит от общего количества и назначения контактов. Контактные пружины 12 и неподвижную токоведущую пружину 4 делают из стальной проволоки диаметром 0,4 мм и изгибают по шаблону. Водило 11 изготавливают из текстолита толщиной 1 мм. На основании оно придерживается проволочными скобами 20.

    Если реле использовать в семафоре, то привод осуществляется через поворотный рычаг 18, для стрелочных переводов — через поворотный рычаг 25 с пружиной 24. Чтобы поворотный рычаг двигался в одной плоскости без перекосов, к нему прикрепляют втулку 23, которую надевают на ось 22.

    При сборке реле нужно следить, чтобы все движущиеся части перемещались свободно, не заедая, а контактные пружины надёжно касались лепестков. В зависимости от назначения реле крепят к подмакетнику вертикально на бруске 21, прикреплённом к основанию, или горизонтально через прокладки 26.

    При изготовлении большого количества приводов рекомендуется сначала сделать различные шаблоны и кондукторы, например, для сверления отверстий в основании, изгибания контактных пружин, лепестков и др. Это намного облегчит работу и повысит её качество.

    3. Электрические схемы управления движением поездов

    Подключение кругового или овального пути, который можно собрать из рельсов, имеющихся в наборе железной дороги, может сделать каждый начинающий любитель. Чтобы иметь возможность выполнять простейшие маневры — прицеплять локомотив к поезду с обеих сторон, необходимо расширить схему добавлением одного пути с двумя стрелочными переводами, т. е. устройством разъезда с ручным управлением стрелочными переводами (рис. 93, а). Перпендикулярные штрихи на путях Б и В обозначают разрывы в рельсовой нити. Можно использовать готовое звено пути с таким разрывом или изготовить его самому. Для этого перепиливают лобзиком с пилкой по металлу рельс между двух шпальных креплений. Разрыв рельсовой нити можно также сделать на стыке двух рельсовых звеньев. В месте разрыва вынимают соединительный штырь и вместо него устанавливают пластиночку из изоляционного материала соответствующей толщины (текстолит, гетинакс).

    В приведённой на рис. 93, а схеме внутренняя рельсовая нить разрывов не имеет и поэтому её называют «общей» или «нулевой». Присоединение «нулевой» рельсовой нити к блоку управления производят проводом большего сечения, чем другие рельсовые участки, причём используют провод с изоляцией определённого цвета — обычно чёрного. При небольшой длине рельсового пути можно делать только один «нулевой» ввод, но при длине пути свыше 2 — 3 м необходимо устраивать два и более вводов, чтобы уменьшить падение напряжения, так как металлические рельсы обладают относительно большим внутренним сопротивлением. Подключение производят к звеньям пути, на которых имеются клеммы для подключения проводов, или провода припаивают непосредственно на наружную боковую сторону рельса. При частой разборке путей подводящие провода можно вставлять в рельсовые стыки.

    Рис. 93. Подключение путевых схем:

    а — с ручными стрелочными переводами; б — с электрическим приводом стрелочных переводов; в — с автоматической подачей напряжения на заданный путь; г — разделенной на блок-участки; А, Б, В — изолированные участки пути; Ст1, Ст2 — стрелочные переводы

    Места подключения проводов к рельсам обозначают условно как четырёхугольники и вычерчивают со стороны подключенной рельсовой нити. Таким образом, имеется схема с тремя изолированными участками. Рельсовые нити участков Б и В соединены со вторым зажимом блока питания через выключатели SA1 и SA2, а участок А непосредственно подключен к нему. По данной путевой схеме могут обращаться два поезда: один двигаться, а другой стоять на изолированном участке Б или В. После прибытия поезда на свободный участок его можно остановить, выключив напряжение. Подключив другой участок, приводится в движение стоящий на нём поезд.

    В последующем можно усовершенствовать схему, заменив ручные стрелочные переводы электромеханическими (рис. 93, б). Управление стрелочными переводами осуществляется тумблерами со средним положением SСт1 и SСт2.

    При использовании блока управления типа МЕ005 можно исключить «нулевой» провод, подводимый к стрелочным переводам, соединив «нулевые» клеммы стрелочных переводов с «нулевой» рельсовой нитью.

    Несколько усовершенствовав схему (рис. 93, в), можно подавать напряжение на участки пути Б и В с одновременным переведением стрелочных переводов на подключенный участок.

    Путевые схемы, изображённые на рис. 93, могут быть приняты за основу при постройке простейшего макета. Чтобы сделать макет более интересным и эффектным, можно автоматизировать схему, организовав движение двух поездов в одном направлении с попеременными остановками одного из них на разъезде. Последний можно разместить как на видимой части макета, так и в тоннеле (см. рис. 25).

    Для построения автоматизированной схемы (рис. 94) необходимо иметь два стрелочных перевода с электромеханическим приводом (Ст1, Ст2), реле типа 8410 с двумя переключающими контактами фирмы «Berliner TT Bahnen» (), два резистора (R1, R2) сопротивлением 10 — 15 Ом, мощностью 1 Вт, два рельсовых контакта (SP1,SP2) и один выключатель (SA). Схема будет работать следующим образом: стрелочные переводы установлены в прямом направлении и поезд, движущийся в направлении от А к Б, входит на путь 1. После прохождения локомотивом разрыва рельсовой нити скорость движения уменьшится за счёт падения напряжения на резисторе 1, через который подключен следующий участок пути. При наезде локомотива на контакт SP1 сработает реле , приведя в действие привод стрелочных переводов с установкой на боковой путь и обесточив участок пути перед локомотивом. Въехав на обесточенный участок, локомотив первого поезда остановится. Движущийся следом поезд входит на боковой путь 2 разъезда, снижает скорость после прохождения разрыва рельсовой нити и при наезде на контакт SP2 включает реле , которое снова приводит в действие приводы стрелочных переводов с установкой на прямой путь, обесточивает участок пути 2 и подаёт напряжение на участок пути 1. Второй поезд остановится на обесточенном участке пути 2, а поезд, стоящий на пути 1, начнёт движение. Таким образом, схема будет работать автоматически, чередуя остановку и отправление поездов. При выключении реле тумблером SA поезда будут проходить разъезд без остановки.

    Рис. 94. Принципиальная электрическая схема автоматизированного разъезда

    При устройстве на макете рассмотренной схемы необходимо принимать во внимание условие, что расстояние между стрелочным переводом Ст1 и контактами SP1 и SP2 должно быть несколько больше, чем самый длинный поезд, движущийся на макете. Если это условие не будет выполнено, то переключение стрелки Ст1 произойдет во время прохождения по ней вагонов поезда, что приведёт к аварии на макете.

    Все схемы подключения макетов, включая рассмотренные выше, можно разделить на три основные группы, остальные являются их комбинациями:

    1) макет подключен к одному блоку управления:

    а) путь разделен на участки, которые можно подключить к блоку управления (см. рис. 93, a, б). Участками могут быть отдельные станционные или деповские пути;

    б) путь разделен на блок-участки, каждый из которых включается контактом светофора или семафора (см. рис. 93, г);

    2) макет имеет несколько самостоятельных электрических контуров и несколько блоков управления. Каждый блок управления можно подключать к любому из контуров. В таком случае одним из блоков можно управлять движением определённого поезда по всему макету. На рис. 95 приведены типичные примеры таких схем, где для подключения участков применены тумблеры со средним положением или штырьковые разъёмы;

    Рис. 95. Схема управления движением:

    а — подключение участков через переключатели; б — подключение участков через штырьковые разъёмы, А, Б, В, Г, Д, Е, И — изолированные участки пути

    3) на макете имеется несколько самостоятельных участков, каждый из которых подключен к собственному блоку управления. Последние в данном случае нельзя подключать к другим участкам. Следовательно, движением поезда можно управлять только в пределах одного участка макета. Такая схема подключения предпочтительна для больших макетов с несколькими участками.

    На макетах, где применяется третья группа подключения, при переходе локомотива с одного участка на другой иногда возникают короткие замыкания. Чтобы исключить такие явления, необходимо иметь дополнительные участки, которые называют переходными. На рис. 96, а показан стык участков А и Б при одной общей рельсовой нити. Каждый из участков подключен к самостоятельному блоку управления. При движении локомотива в направлении от А к Б при переходе с одного участка на другой в случае разных потенциалов на изолированных рельсовых нитях возникает короткое замыкание, которое можно не допустить при внимательном обслуживании макета. Однако при большом движении или при маневрах на станции это сделать очень трудно. Поэтому введенный переходный участок рекомендуется подключать при помощи телефонных ключей (рис. 96, б), Переходный участок условно обозначен как ПуАБ, а прилегающие участки — соответственно А и Б. Из схемы видно, что при разных полярностях локомотив остановится на переходном участке и будет продолжать движение только при одинаковой полярности. Длину переходного участка необходимо определять в зависимости от длины локомотива и его пробега по инерции при выключенном питании.

    Рис. 96. Размещение переходного участка ПуАБ (а) и его подключение (б)

    В случае применения на макете контактной подвески можно на одном пути управлять двумя локомотивами. Для этого контактную подвеску делят на участки так же, как и путь. Одна рельсовая нить снова будет общей, вторая будет служить для питания моделей паровозов и тепловозов, а модели электровозов будут получать ток от контактной подвески. Схема подключения показана на рис. 206.

    Движение поездов на железных дорогах производится по сигналам светофоров или семафоров. Такую же сигнализацию используют и на макетах, но с той разницей, что на макете сигнал создаёт лишь внешний эффект, а управление производится при помощи реле и кнопочных устройств, которые связаны с сигналами. Чтобы локомотив остановился перед запрещающим сигналом, необходимо иметь участок пути, с которого в этом случае будет снято напряжение. Такой участок условно обозначим РуАБ (рис. 97) и назовем его разрешающим, так как при зелёном сигнале светофора движение будет открыто в направлении от А к Б, Так как показания светофора СвАБ действительны только в этом направлении, при обратном движении через разрешающий участок поезд должен двигаться с постоянной скоростью, независимо от сигнала светофора. Для этого изолированный рельс разрешающего участка подключают к прилегающим участкам через контакты реле светофора КСв и диод VD. Когда поезд движется в направлении от А к Б, правый (по направлению движения) рельс имеет положительную полярность, диод VD при этом закрыт и напряжение на разрешающий участок подаётся через контакты реле КСв в зависимости от сигнала светофора. При движении поезда в обратном направлении этот рельс имеет отрицательную полярность, диод VD открыт и пропускает ток от участка Б.

    Рис. 97. Размещение разрешающего участка РуАБ и его подключение

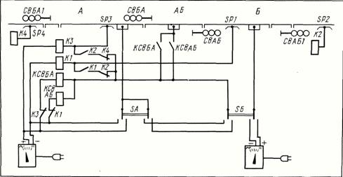
    При удобном размещении сигналов на макете можно совместить переходные и разрешающие участки. На рис. 98 изображена схема подключения совмещённого участка АБ. Управление движением производится от двух блоков управления, подключенных к прилегающим участкам А и Б. Участок АБ огражден двумя светофорами СвАБ и СвБА, действующими соответственно направлению движения. В схеме применены реле телефонного типа с сопротивлением катушки Rкат ? 1000 Ом и напряжением включения Uвкл ? 8 В. При движении поезда в направлении от А к Б переключатель SA устанавливают в крайнее правое положение. Если участок Б не подготовлен к приёму поезда, то переключатель установлен в среднее положение, ток через него не проходит, реле КСвАБ выключено, на светофоре СвАБ горит красный сигнал, участок АБ обесточен и локомотив на нём останавливается. Когда участок Б подготовлен к приёму поезда, переключатель устанавливают в крайнее правое положение, при этом срабатывает реле КСвАБ, своим нормально разомкнутым контактом подаёт напряжение на участок АБ, переключает красный сигнал светофора СвАБ на зелёный, и локомотив начинает движение на участок Б. При наезде локомотива на контакт SP1, размещённый за светофором СвАБ, включается реле К1, которое своим нормально разомкнутым контактом становится на самоподпитку (через нормально замкнутый контакт реле K2), а нормально замкнутым контактом разрывает цепь катушки реле KсвАБ. Реле KСвАБ выключается, снимая напряжение с участка АБ, и на светофоре СвАБ загорается красный сигнал. При проходе локомотивом последующего светофора СвАБ1 и наезде на рельсовый контакт SP2 включается реле К2, которое своим нормально замкнутым контактом разрывает цепь самоподпитки реле К1. Реле К1 выключается и своим нормально замкнутым контактом включает реле КСвАБ, на участок АБ подаётся напряжение, а на светофоре СвАБ загорается зелёный сигнал. При движении в одном направлении нескольких поездов светофор СвАБ и участок АБ будут работать как при автоблокировке. При движении поезда в направлении от Б к А схема работает аналогично, но будут задействованы светофор СвБА, реле KСвБА, K3, К4 и контакты SP3, SP4.

    Рис. 98. Схема подключения совмещённого переходного и разрешающего участков

    Чтобы ещё больше приблизить эффект движения поездов к тому, что мы видим на настоящей железной дороге, можно относительно простым способом воспроизвести его плавную остановку перед запрещающим сигналом и плавное трогание с места при включении разрешающего сигнала, Для этого перед разрешающим участком делают ещё несколько промежуточных участков Пу (рис. 99, а). Длина каждого промежуточного участка должна быть такая же, как и разрешающего. Количество участков зависит от длины пути, на котором размещают промежуточные участки.

    Рис. 99. Схема постепенного снижения скорости локомотива с остановкой при запрещающем сигнале (а) и схема плавного трогания локомотива после открытия сигнала (б)

    С увеличением числа промежуточных участков улучшается плавность замедления и разгона поезда. При зелёном сигнале светофора или при движении от Б к А поезд проезжает промежуточные участки с постоянной скоростью. Работу схемы рассмотрим при трёх возможных вариантах:

    а) поезд движется от А к Б при зелёном сигнале светофора.

    На правой рельсовой нити участка А имеется положительный потенциал и реле светофора КСв включено. Диоды VDРу ,VDПу1, VDПу2 и VDПу3 свободно пропускают положительный потенциал и, следовательно, на промежуточные участки Пу1, Пу2, Пу3 и Ру подаётся такое же напряжение, как и на участок А;

    б) поезд движется в направлении от Б к А и на светофоре горит красныи сигнал.

    Реле светофора КСв выключено и его контакт разомкнут. На «нулевой» рельсовой нити участка А имеется отрицательный потенциал. В таком случае диоды свободно проводят ток и промежуточные участки оказываются под тем же напряжением, как и участки Б и А. Поезд движется по всем участкам с одинаковой скоростью;

    в) поезд движется от участка А к участку Б при красном сигнале светофора.

    На «нулевой» рельсовой нити участка А имеется положительный потенциал, но контакт реле светофора КСв разомкнут. В таком случае диоды VDРу, VDПу1, VDПу2 и VDПу3 не проводят ток, и напряжение постепенно гасится на резисторах RПу3, RПу2 и RПу1. Скорость при этом понижается и на разрешающем участке Ру поезд остановится.

    Для плавного трогания с места и разгона поезда после открытия светофора можно использовать схему, изображённую на рис. 99, б. Схема работает автоматически в том случае, если поезд перед светофором остановился. Для прохождения поездом светофора при зелёном его сигнале в питающую цепь необходимо поместить дополнительный переключатель S, который следует переключать вручную. Схема работает аналогично, как и схема плавной остановки, только переключатель S в случае остановки поезда подаёт напряжение в цепь 3, а в случае прохода поездом светофора — в цепь 1.

    Подбор резисторов, применяемых в схемах плавной остановки и разгона поезда (см. рис. 99), производят на основании расчёта. Исходными данными являются ток, потребляемый моделью локомотива, и минимальное напряжение, при котором модель продолжает движение. Например, ток, потребляемый моделью, составляет Imax = 0,3 А, а минимальное напряжение Umin = 2,5 В. Тогда, чтобы получить устойчивое движение на последнем участке, падение напряжения при трёх промежуточных участках на каждом из них должно составлять 3 В. Следовательно, сопротивление каждого резистора

    RПу = Uт / I = 3 / 0,3 = 10 Ом,

    а мощность

    P = UI = 3 * 0,3 = 0,9 Вт

    Резисторы с такими характеристиками лучше всего изготовить самому.

    Диоды для схем, изображённых на рис. 97 и 99, подбирают по величине тока, потребляемого моделью локомотива (для данного примера подходят диоды типа Д7А или Д202). Для изготовления резисторов и подбора диодов можно воспользоваться рекомендациями, изложенными при расчёте блоков управления в п. 1 настоящей главы.

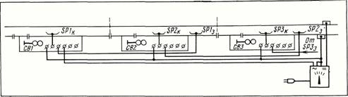
    Интересное впечатление производит устройство на двухпутных участках макета автоблокировки с трёхзначной сигнализацией (рис. 100). Наряду со световыми показаниями светофоров и остановкой поезда перед красным сигналом можно обеспечить снижение скорости перед жёлтым сигналом, работу сигнализации при движении поезда по неправильному пути, а также предупредить наезд поезда на вагоны, оставшиеся на перегоне при разрыве впереди идущего поезда. Чтобы наглядно проследить за работой автоблокировки с трёхзначной сигнализацией, количество блок-участков на перегоне желательно иметь не менее четырёх. Протяжённость каждого блок-участка должна быть больше длины поезда. Первый и последний блок-участки перегона могут быть связаны соответственно с выходным и входным светофорами станций.

    Рис. 100. Принципиальная электрическая схема автоблокировки с трёхзначной сигнализацией

    Принцип работы схемы заключается в том, что при зелёном и жёлтом сигналах светофора, свидетельствующих о свободных блок-участках, реле включено, а при занятом участке и красном сигнале светофора — выключено. Такая работа приводит к несколько большему потреблению тока, но надёжность схемы возрастает.

    Источник питания должен иметь на выходе постоянное напряжение 16 В и мощность, достаточную для питания реле всех блок-участков, сигнальных ламп светофоров и локомотивов, движущихся по перегону.

    В схеме используют одинаковые по характеристикам реле постоянного тока телефонного типа с напряжением включения не выше 10 — 12 В, сопротивлением катушек 200 — 1500 Ом, имеющие не менее трёх переключающих, одного нормально замкнутого и одного нормально разомкнутого контактов, а также резисторы, сопротивление которых определяют расчётом в зависимости от характеристик реле. Работу схемы автоблокировки рассмотрим поэтапно одновременно с расчётом её элементов.

    В качестве примера возьмем реле со следующими характеристиками: сопротивление катушки Rк = 1400 Ом, ток начала движения и ток отпускания ярма Iнд = Iотп = 7 мА, ток притяжения Iпр = 10 мА.

    Когда блок-участки Б и В свободны, на светофоре СвБ горит зелёный сигнал и реле КБ включено (рис. 101, а), ток проходит через резисторы R1, R3 и катушку реле. Тогда сопротивление цепи тока Rmax можно определить по закону Ома:

    Rmax = R1 + R3 + RКБ = Uпит / Iпр = 16 / 0,01 = 1600 Ом,

    а сумма сопротивления резисторов составит:

    R1 + R3 = Rmax - RКБ = 1600 - 1400 = 200 Ом.

    Рис. 101. Работа автоблокировки с трёхзначной сигнализацией:

    а — при свободном блок-участке; б — при занятом блок-участке ; в — при последуюшем занятом блок-участке; г — электростенд для проверки параметров элементов схемы; А — миллиамперметр; В — вольтметр; К — катушка реле

    Сопротивление резисторов можно принять одинаковым R1 = R3 = 100 Ом.

    При входе локомотива на блок-участок Б между рельсами параллельно реле КБ и резистору R3 подключен электродвигатель М1 (рис. 101, б), причём основной ток проходит через электродвигатель, так как сопротивление его значительно меньше сопротивления катушки реле. Чтобы в этот момент произошло выключение реле КБ, через него должен протекать ток менее 7 мА. Тогда максимальное напряжение для этой фазы работы схемы составит:

    Uотп ? Iотп ( RКБ + R3 ) = 0,007 ( 1400 + 100 ) = 10,5 В

    При напряжении на рельсовых нитях менее 10,5 В реле КБ выключится, переключая сигнал светофора СвБ с зелёного на красный. Падение напряжения, обеспечивающее выключение реле при входе локомотива на блок-участок, происходит вследствие того, что в цепь последовательно двигателю М1, имеющему сопротивление 30 — 50 Ом, оказывается включен резистор R1 сопротивлением 100 Ом. Падение напряжения на резисторе R1 и двигателе М1 поделится пропорционально их сопротивлению и реле КБ выключится. Однако падение напряжения на резисторе R1 может оказаться весьма значительным и вызовет резкое уменьшение частоты вращения якоря электродвигателя и его остановку. Чтобы избежать этого и подавать на двигатель стабильное напряжение Uм = 10 В, в цепь параллельно резистору R1 подключают резистор R2. Величина сопротивления резистора R2 зависит от тока, потребляемого двигателем локомотива; поэтому её рассчитывают для всех типов локомотивов, обращающихся по участку. Например, ток двигателя Iм1 = 0,2 А, тогда

    соответственно для других типов двигателей:

    Iм2 = 0,3 А; R2' = 24,5 Ом;

    Iм3 = 0,5 А; R2'' = 13,5 Ом.

    Величину R2 принимают по среднему значению (в нашем примере R2 ? 25 Ом). Если ограничиться этим, то у локомотивов с большим потреблением тока напряжение питания будет ниже, а у локомотивов с меньшим потреблением тока — наоборот, что в свою очередь также отразится на скорости движения. Для устранения этого нежелательного явления в цепь параллельно с резистором R2 включают стабилитрон VS и резистор R4. Можно использовать стабилитроны типа Д815А или Д815Б, имеющие ток стабилизации около 1 А и напряжение соответственно 5,6 — 6,2 и 6,1 — 7,5 В. Величину сопротивления резистора R4 рассчитывают по среднему напряжению определённого типа стабилитрона и для различных по потребляемому току двигателей. Например, при стабилитроне Д815А

    R4 = Uср / Iм1 = 5,9 / 0,2 = 29,5 Ом,

    для других типов двигателей соответственно:

    Iм2 = 0,3 А; R4' = 20,3 Ом;

    Iм3 = 0,5 А; R4'' = 20,3 Ом.

    Принимают среднее значение сопротивления резистора R4 ? 20 Ом.

    Так как резисторы R2 и R4 оказываются включенными параллельно, их можно заменить одним резистором R5:

    Когда первый поезд покинет блок-участок Б и разрешающий участок РуБ (рис. 101, в), выключится реле КВ, переключив своими контактами сигналы светофора СвВ с зелёного на красный, а светофора СвБ с красного на жёлтый. Следующий по перегону вслед за первым второй поезд, входя на участок Б, должен уменьшить скорость, поэтому в цепи предусмотрен резистор R6, включенный последовательно с резистором R5 и стабилитроном VS, снижающий напряжение на блок-участке Б при выключенном реле КВ. Сопротивление резистора R6 рекомендуется принимать в пределах 5 — 15 Ом, а мощность — около 2 Вт. Однако в зависимости от мощности используемых локомотивов могут потребоваться резисторы с несколько иными характеристиками, определяемыми опытным путём при наладке схемы.

    Следуя дальше, локомотив второго поезда входит на разрешающий участок РуВ, расположенный перед светофором СвВ, на котором горит красный сигнал. В этот момент в цепь последовательно двигателю М2, кроме резисторов R6, R5 и стабилитрона VS, оказывается включенным резистор R3. За счёт включения резистора R3 напряжение в цепи уменьшится настолько, что локомотив остановится перед красным сигналом.

    Когда первый поезд покинет блок-участок В и разрешающий участок РуГ, выключится реле КГ, которое через свой переключающий контакт выключит из цепи резистор R3 и подключит разрешающий участок РуВ через резисторы R6, R5 и стабилитрон VS, подавая на него пониженное напряжение. Сигнал на светофоре СвВ сменится с красного на жёлтый, и второй поезд с небольшой скоростью тронется на блок-участок В.

    Для организации движения поездов по неправильному пути, т. е. пути, предназначенному для встречного движения, изолированные рельсы разрешающих участков подключены к блок-участкам через диоды VD.

    Чтобы предупредить наезд поезда на вагоны, оставшиеся на перегоне при разрыве поезда, идущего впереди, последние вагоны должны иметь какой-либо потребитель тока (лампу освещения или резистор). Оставаясь на перегоне, такой вагон включен в электрическую цепь блок-участка подобно локомотиву. Величину сопротивления установленного в вагоне потребителя тока определим из условия, что при нахождении его на блок-участке напряжение на рельсовых нитях будет менее 10,5 В, т. е. окажется недостаточным для включения реле:

    Следовательно, любой включенный в цепь блок-участка потребитель тока, имеющий сопротивление менее 219 Ом, предотвратит включение реле, и на светофоре блок-участка останется гореть красный сигнал. Таким образом, при эксплуатации поездов, последние вагоны которых оборудованы потребителем тока, смена сигналов на светофорах будет происходить только после проследования по блок-участку последнего вагона.

    Приведённый расчёт схемы автоблокировки позволит подобрать характеристики её элементов при использовании других типов реле и при наладке работы схемы. Если использовать реле с другими параметрами, то значения Iнд, Iотп, Iпр, R можно получить, проверив работу реле на электростенде (рис. 101, г).

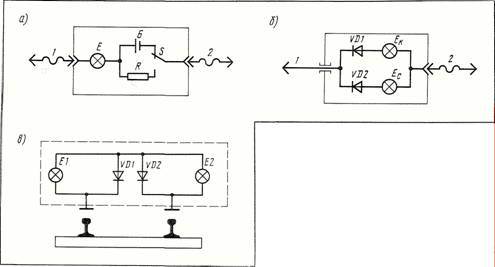
    На участках макета с наклонным профилем пути можно автоматически изменять силу тяги и скорость локомотива в зависимости от того, движется ли поезд на подъём или под уклон (рис. 102, а). При движении поезда на подъём ток проходит через диод VD (диод типа Д7А) и на участок подаётся максимальное напряжение. Когда поезд по участку движется в обратном направлении, под уклон, полярность тока изменена, диод VD будет закрыт. Ток проходит через резистор R, где напряжение падает и соответственно уменьшается скорость движения локомотива. Величину сопротивления резистора R принимают в пределах 4 — 8 Ом.

    Рис. 102. Подключение наклонного участка пути (а) и участка пути перед тупиковым упором (б)

    Для автоматической остановки локомотива на тупиковых путях станций, вокзалов или в здании депо участок пути перед тупиковым упором, по протяжённости соответствующий длине локомотива и его пробегу при снятом напряжении, подключают через диод VD (рис. 102, б). При входе локомотива за разрыв рельсовой нити он останавливается, так как диод VD закрыт и участок перед тупиковым упором обесточен. При изменении полярности диод VD пропускает ток, и локомотив начинает двигаться в обратном направлении.

    Дистанционное включение электроприводов стрелочных переводов с пульта управления макета рекомендуется производить тумблерами. С помощью тумблеров можно быстро подготовить стрелочную улицу или маршрут для приёма поезда, а положение тумблера достаточно наглядно свидетельствует о положении стрелочного перевода, даже если нет обратной сигнализации на пульте управления. При срабатывании электропривода отключение напряжения выполняет концевой выключатель. Однако, если из-за механической неисправности или по другой причине стрелка переведётся не полностью, то концевой выключатель не сработает, Поэтому, чтобы предотвратить перегорание электропривода при использовании тумблеров, в «общий» провод от блока управления до зажима «Земля» стрелочного перевода устанавливают кнопку SB (рис. 103). Тумблерами готовят маршрут следования поезда, а затем нажатием кнопки включают напряжение и приводят в действие электроприводы стрелочных переводов. Продолжительность нажатия кнопки не должна превышать 2 с. При использовании готовых блоков управления и электроприводов одной кнопкой можно одновременно включать до трёх стрелочных переводов.

    Рис. 103. Подключение стрелочных переводов:

    Ст1, Ст2, Ст3 — стрелочные переводы; S1, S2, S3 — тумблеры; SB — кнопка

    На небольших домашних макетах моделисты вынуждены из-за недостатка места применять в путевой схеме петли возврата. Такие петли иногда устраивают и на территории депо для поворота локомотивов (поворотные петли). Электрическое подключение такой петли требует дополнительных устройств для предотвращения коротких замыканий. На рис. 104, а изображена такая петля с указанием места, где может возникнуть короткое замыкание. Устранить это не сложно, но необходимо помнить несколько основных правил и задаться определённой программой прохождения поезда через петлю возврата.

    Рис. 104. Схемы подключения петли возврата

    При ручном управлении движением поездов и при условии, что стрелочный перевод всегда будет установлен на боковой путь, можно применить переключатель типа «тумблер» (рис. 104, б). Постоянную установку стрелочного перевода на боковой путь можно осуществить постановкой дополнительной пружины в механизме стрелочного перевода. В таком случае при выходе из петли колёса поезда будут «взрезать стрелку», хотя на настоящей железной дороге это является грубым нарушением Правил технической эксплуатации. При входе локомотива на участок А поезд остановится и будет стоять до тех пор, пока не будет изменена полярность напряжения и не переключен переключатель S. После выполнения этих операций поезд будет продолжать движение. Чтобы иметь световую сигнализацию об обстановке на петле возврата, схему можно дополнить двумя лампами, расположенными на пульте управления (рис. 104, в). Лампа красного цвета горит при остановке поезда и гаснет при изменении полярности напряжения переключателем S. При этом подаётся напряжение и загорается лампа зелёного цвета. Из-за того что при снятом напряжении гаснут обе лампы, не рекомендуется использовать такое устройство, как светофор, что на первый взгляд казалось бы возможным.

    Следующим способом управления движением поездов в петле возврата является схема с применением четырёх диодов (рис. 104, г). Через стрелочный перевод Ст, установленный на боковой путь, поезд входит в петлю.

    Диоды VD1 и VD4 проводят ток, а диоды VD2 и VD3 закрыты. Поезд остановится на участке В. При изменении полярности напряжения диоды VD2 и VD3 проводят ток, и поезд продолжает двигаться. Стрелочный перевод может работать, как описано в первом случае или от ручного привода.

    Существует схема подключения петли возврата с автоматическим управлением. Для этого необходимо применить электромагнитное реле соленоидного типа, источник переменного тока и два рельсовых контакта. На рис. 104, д, е изображены схемы безостановочного прохода поездом петли возврата с сигнализацией о состоянии стрелочного перевода. Когда поезд проходит через стрелочный перевод на боковой путь (см. рис. 104, д), при проходе через контакт SP1 последний замыкается, включается цепь и стрелочный перевод устанавливается в положение «Прямо», а электромагнитное реле переключает полярность перегонного участка. При прохождении петли возврата, когда поезд проходит через стрелочный перевод по прямому пути (см. рис. 104, е), контакт SP2 даёт сигнал на перевод стрелки на боковой путь и переключение электромагнитного реле.

    Для поворота локомотивов в депо и на станциях сооружают треугольники и поворотные круги. При повороте на треугольнике требуется дважды изменять направление движения локомотива и перевести три стрелочных перевода. Количество операций по управлению поворотом локомотива на макете треугольника можно сократить, применив схему, изображённую на рис. 105. При этом задаётся определённая программа проследования локомотива по треугольнику. Остряки стрелочных переводов устанавливают в определённое положение, в котором они удерживаются пружинами. Таким образом, при входе в тупики Т1, Т2 и при выходе из треугольника локомотив будет «взрезать стрелки». Для предотвращения коротких замыканий на рельсовых нитях предусмотрены разрывы. Участки пути перед тупиковыми упорами подключают через диоды для автоматической остановки локомотива. Когда локомотив заходит в тупик Т1, переключателем S, вынесенным на пульт управления, изменяют полярность напряжения, и локомотив движется задним ходом в тупик Т2. Локомотив останавливается в тупике Т2, и переключателем вторично меняют полярность, после чего локомотив передним ходом выходит с треугольника.

    Рис. 105. Схема подключения поворотного треугольника

    На пересечениях в одном уровне железнодорожных путей с автомобильными дорогами макет переезда можно оборудовать автоматически закрывающимися шлагбаумами, световой и звуковой сигнализацией. Принципиальная электрическая схема такого переезда на однопутном участке изображена на рис. 106, а. На двухпутных участках устанавливают по одному контакту SPз и SPо на каждом пути, причём перед переездом, первым на пути следования поезда, должен быть контакт закрытия шлагбаума SPз, a за переездом на расстоянии, соответствующем длине наибольшего поезда, — контакт открытия SPо. Схема будет действовать только при движении по участку поездов, вагоны в которых имеют неметаллические бандажи колёс. Закрытие шлагбаумов производится при помощи самодельного электромагнитного привода (см. рис. 92) или аналогичного привода заводского изготовления. Для световой сигнализации используют миниатюрные лампы напряжением 16 В, окрашенные в красный цвет. Звуковые сигналы воспроизводит телефонный наушник, включенный последовательно с конденсатором С1 ёмкостью 5 — 10 мкФ. Источник прерывистых звуковых и световых сигналов может быть выполнен в виде отдельного блока для всех переездов, имеющихся на макете (рис. 106, б). В блоке использованы два телефонных реле К1 и К2 с сопротивлением катушек 500 — 1000 Ом и конденсатор С2 ёмкостью 50 — 100 мкФ. Реле К1 должно иметь один нормально разомкнутый контакт, а реле К2 — один нормально замкнутый, число переключающих контактов у обоих реле должно соответствовать количеству переездов.

    Рис. 106. Электрическая схема автоматизированного переезда со звуковой и световой сигнализацией

    Работа блока осуществляется в следующей последовательности: при подключении к источнику питания начнёт заряжаться конденсатор С2. После зарядки конденсатора сработает реле К1 и через нормально разомкнутый контакт включит реле К2. Реле К2 своим нормально замкнутым контактом разорвёт цепь реле К1, конденсатор С2 начнёт разряжаться, реле К1 выключится и в свою очередь выключит реле К2. Реле К2 через нормально замкнутый контакт подключит конденсатор С2 на зарядку, и цикл повторится.

    Когда поезд приближается к переезду и колёса локомотива замыкают контакт SPз срабатывает электропривод КС и переводит шлагбаум в закрытое положение. Одновременно электропривод КС подключает цепь ламп Е1, Е2 и телефонного наушника Н к переключающему контакту реле К1 (К2). Лампы поочередно загораются, а телефонный наушник издаёт прерывистые звуковые сигналы. После проследования поезда через переезд колёса локомотива замыкают контакт SPо, электропривод КС срабатывает, открывая шлагбаумы и выключая цепь световых, звуковых сигналов.

    Для коммутации цепей в электросхемах макетов железной дороги используют большое количество различных электродеталей (переключателей, выключателей, кнопок, штепсельных разъёмов и др.). При подборе деталей необходимо учитывать их технические характеристики — силу проводимого тока, максимальное и минимальное напряжения цепи, а также их габариты.

    В электросхемах применяют медные многожильные провода с полихлорвиниловой и шёлковой изоляцией сечением 0,5 — 1,0 мм2, подбираемые в зависимости от проводимого тока. Медные многожильные провода более эластичны, чем одножильные; они хорошо ложатся в жгут, легко паяются и при многократном изгибании не ломаются. Там, где провода устанавливают без всякого движения и изгибов, можно использовать медные одножильные. Закрепление проводов к электродеталям и приборам может быть постоянное — на пайке или съёмное. При монтаже электросхем пайку проводов следует производить бескислотным способом (с применением канифоли). При применении кислотной пайки пары кислоты через некоторое время окисляют и нарушают контакты. Провода, которые при монтаже и эксплуатации электросхемы периодически отсоединяют, закрепляют в специальных зажимах, на винтах или под гайками. На концы проводов, закрепляемых под винт, следует напаять наконечники соответствующих размеров (рис. 107, а). Место пайки закрывают трубкой 1 из поливинилхлоридного пластиката, на которую наносят маркировку — номер данного провода.

    Рис. 107. Монтаж электрических проводов

    Провода под макетом и в пультах управления увязывают толстыми нитками в жгуты и прикрепляют скобами к раме подмакетника или пульту управления (рис. 107, б). В местах изгиба на жгутах делают петли, которые закрепляют таким образом, чтобы провода работали на скручивание, а не на изгиб (рис. 107, в). Для удобства монтажа электросхем для каждой цепи используют провода с разноцветной изоляцией. Так, например, «нулевой» провод — чёрный, цепи переменного тока напряжением 16 В — зелёный, постоянного тока напряжением 12 В — жёлтый и т. д.

    Для быстрого обнаружения неполадок в электросхемах макетов наряду с общеизвестными контрольно-измерительными приборами рекомендуется использовать несложные самодельные приборы — «пробники». На рис. 108, а изображена схема прибора, с помощью которого можно проверить проводимость электроцепи (переключатель S в верхнем положении) и наличие напряжения постоянного или переменного тока до 16 В (переключатель S в нижнем положении). В небольшой коробке устанавливают источник питания (батарейку) Б напряжением 4,5 В, резистор сопротивлением 150 Ом, на поверхности корпуса устанавливают переключатель (тумблер) S и лампу напряжением 4,5 В. Выводы делают из многожильного провода сечением 0,3 мм2, длиной 1 — 1,5 м, на концах выводов припаивают одиночные штекеры, на которые при необходимости можно установить зажимы типа «крокодил».

    Рис. 108. Приборы для проверки электрических цепей макетов

    Наличие напряжения до 16 В, вид тока, а также полярность постоянного тока можно определить с помощью прибора, изображённого на рис. 108, б. В схеме использованы два диода (типа Д7) и две лампы напряжением 16 — 24 В. Прибор собирают в небольшой коробке, провод 1 выводят из корпуса медным стержнем диаметром 3 мм, длиной 50 — 100 мм, изолированным по всей длине поливинилхлоридной трубкой, провод 2 делают как и у предыдущего прибора. При наличии напряжения переменного тока горят обе лампы; при постоянном токе, если коснуться штырем проводника с положительной полярностью, будет гореть красная лампа Ек с отрицательной — синяя Ес.

    Третий прибор (рис. 108, в) служит для проверки наличия напряжения на участке пути. Если рельсовые нити находятся под напряжением, то загорается та лампа, где имеется положительный потенциал. Этот прибор можно собрать на пластинке из изоляционного материала (текстолит, оргстекло и др.), а выводы оформить в виде лепестков. Расстояние между лепестками устанавливают соответственно ширине колеи на проверяемом участке.

    Все элементы электропитания макета, управления движением и автоматикой сосредоточивают в пультах управления (рис. 109). На верхней панели пульта вычерчивают мнемосхему того участка макета, для которого предназначен данный пульт. Приборы управления сигналами, стрелочными переводами и т. п. располагают на мнемосхеме соответственно их расположению на макете. Приборы, не имеющие прямого отношения к управлению движением, выносят в сторону. Рядом с элементами управления устанавливают таблички с условными обозначениями в соответствии с принципиальной схемой или надписями, поясняющими их функции.

    Рис. 109. Пульт управления

    Для удобства обслуживания может быть введена обратная световая сигнализация.


    Примечания:



    2

    Для сопоставления схем подключения различных приводов далее в тексте цифровым индексам зажимов присвоены буквенные обозначения: 1оп, 2об, 3о, 4 — «Земля», 5п, 6б.




    Гидравлические автоматические шлагбаумы - https://www.bargas.ru/.




    Главная | В избранное | Наш E-MAIL | Добавить материал | Нашёл ошибку | Вверх